COPRA IS201-G(I)R(PE) Built In Plasma Source

OverviewCOPRA IS201-G(I)R(PE)IS201-EG(I)R(PE)IS301-EGIRPEIS400-EGIRPEIS502-EGIRPEIS1100x250-GRPEIS-custom design

The COPRA IS201-G(I)R(PE) Built In Plasma Source have been designed for Plasma ion-assisted deposition (PIAD) in PVD applications at low temperatures 
in order to achieve:

-higher atomic or molecular packing density in the thin-film layers (increasing index of refraction), 
-minimizations of wavelength shift, 
-higher adhesion and lowest absorption levels.

Those performance requirements are in particularly crucial for the production of:  

Smart devices: AR coatings/Hard coatings, 
LED: DBR reflector layer coatings,

Lightning: Dichroic color filters/Beam splitters/Reflector coatings 
Medical: Filter and mirror technologies for controlled heat and lightning conditions
Communication technology: AR coatings/Band pass filters
Precision optics: Microlithography(EUV/DUV), Laser optics and Mirror coatings, Camera lens coatings
Night vision and distance control, Microscope and telescopes.

The COPRA IS201-G(I)R(PE) Built In Plasma Source all typical energy ranges required to assist the typical evaporating materials and cover calotte 
or dome sizes up to 760 mm. Easy to install and renowned to be maintenance poor they contribute to optimize your coating costs. 
No arcing and spikes on substrates and/or films, No filament and no electron emission grid needed! Variable RF-power independent 
ion energy settings allow to perform your film with the exact energy values you will need preventing surface damages and stress build-up.

 

Main Applications

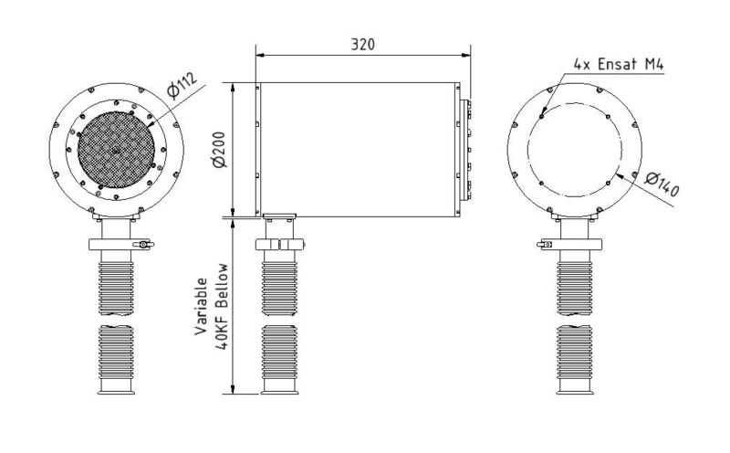
COPRA IS201-G(I)R(PE)
Ø 110 mm
neutral Plasma Beam (no filament)
Integrated Remote Match
up to 760 mm calotte/dome size
-
DN25KF
13,56 MHz
1.2 kW
-
1x10-4 to 1x10-1 mbar
N
Profibus/Serial
2x flex tube 6 mm
>2L/min
Swagelok 4 mm
AL
25 kg